e-tuk/e-náklad

Motor zadního náboje S-Type Pro RF

Motor zadního náboje S-Type Pro RF (volnoběžka) je určen pro kola E-Cargo a E-Fat a nabízí jmenovitý výkon 750W až 1500W. Vyznačuje se 7rychlostní volnoběžkou, 175 mm patkou a maximálním točivým momentem přes 145 Nm. Tento motor poskytuje silnou trakci v podmínkách nízké rychlosti, zajišťuje stabilní schopnost stoupání na strmých svazích a měkkém písku a účinně řeší nedostatky výkonu v podmínkách vysokého zatížení. Je vybaven patentovanými převody z plast-oceli HENTACH a nabízí 5krát větší kapacitu točivého momentu než tradiční nylonové převody, vydrží více než 40 000 km a výrazně snižuje náklady na údržbu. V aplikacích na elektrokolech nad 1000 W mohou pouze převody Hengtai z plastu a oceli odolat trvalému točivému momentu nad 100 Nm.

Klíčový parametr
Konstrukce motoru: Jmenovité napětí (V): Jmenovitý výkon (W):
/ 36-60 600-1500
Špičkový točivý moment (N.m.): Hmotnost (KG): STARÝ (mm):
145 5.8 175
podrobné informace
  • Motor zadního náboje S-Type Pro RF
  • Motor zadního náboje S-Type Pro RF
Ningbo Yinzhou HENTACH Electromechanical Co., Ltd. Product Parameters Ningbo Yinzhou HENTACH Electromechanical Co., Ltd. Drawing Ningbo Yinzhou HENTACH Electromechanical Co., Ltd. Contact Us

Základní údaje

Jmenovitý výkon 600-1500
Jmenovité napětí 36-60
Průměr kola 20-26
Rozsah rychlosti 35-65
Maximální točivý moment 145
Převodový poměr 5
Hmotnost (KG) 5.8

Parametry instalace

Brzda Kotoučová brzda
Kazeta snímače točivého momentu Ne
Trasa kabeláže Levá strana nápravy
Otvor pro paprsky 2-18-Ф3.2
Hodnocení voděodolnosti IP54 (až IP65)
Setrvačník/řetězové kolo rychlost víření sedm rychlostí
Certifikáty TUV/EN15194/RoHS

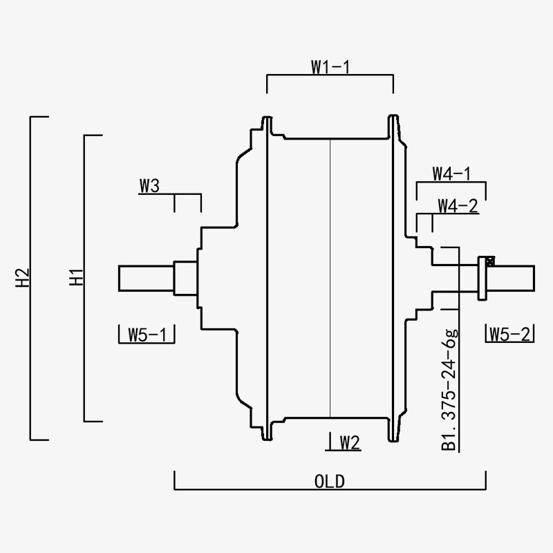
H1/ OD: 162
H2/Vnější průměr motoru: 183
W1(-1/-2): 70.8
W2: 0
W3: 15.2
W4(-1/-2): 39/9
W5(-1/-2): 31/27
STARÝ: 175
Délka nápravy: 233
Ningbo Yinzhou HENTACH Electromechanical Co., Ltd.
kontaktujte nás
  • Odeslat a odeslat
Ningbo Yinzhou HENTACH Electromechanical Co., Ltd.
CO NÁS ODLIŠUJE
  • Výkonný motor zadního náboje se 175 mm otevřenými převody, jmenovitý až 1500 W.

  • Vynalezená patentovaná plastová ozubená kola: 5krát točivý moment než nylonová ozubená kola; životnost větší než 40 000 km; nižší poprodejní prodej

  • Stall točivý moment až 145NM nebo více, určeno pro efat/Cargo.

KDO JSME Více než 20 let výrobních zkušeností.

Ningbo Yinzhou HENTACH Electromechanical Co., Ltd. (dříve Hengtai Motor) Společnost byla založena v roce 1995 a dříve známá jako „Hengtai Motor“ (čínský název naší společnosti), v roce 2020 jsme oficiálně přijali anglický název „HENTACH Motor“. Obě jména představují stejného důvěryhodného výrobce, který se již více než 30 let věnuje elektromechanickým inovacím. Specializujeme se na odlévání a přesné zpracování miniaturních stejnosměrných motorů, elektrických/motocyklových nábojových motorů a slitin hliníku a hořčíku pro elektrická vozidla, kombinujeme přísný systém kontroly kvality ISO 9001, vyspělé postupy řízení a špičková výrobní/testovací zařízení, abychom dodávali spolehlivá řešení.

Díky komplexním možnostem od odlévání surovin až po dodávky finálních produktů sloužíme různorodým trhům, včetně elektrokol, nákladních vozidel, AGV, golfových vozů, zemědělských strojů a elektromotokár. Náš kampus o rozloze přes 9 000 m² (5 000 m² zastavěné plochy) obsahuje více než 60 jednotek moderního výrobního zařízení, včetně 500tunových tlakových licích strojů, přesných CNC obráběcích strojů, laserových značkovacích systémů, mikroobloukových oxidačních linek a dvou specializovaných zkušebních stolic pro elektromobily. Tato infrastruktura zajišťuje efektivní výrobu a přísné dodržování mezinárodních standardů kvality.

Ve společnosti HENTACH (Hengtai) upřednostňujeme vysoce kvalitní materiály a patentovanou technologii – naše patentovaná převodovka z nylonové oceli je důkazem naší technické dokonalosti. Abychom ověřili životnost, jednou jsme spustili program záruky najetých kilometrů pro motory přesahující 30 000 mil. Výsledek? Více než 50 motorů nejen splnilo toto měřítko, ale dokonce je překonalo, přičemž některé dosáhly působivých 50 000 mil. Tento skutečný výkon odráží naše neochvějné zaměření na spolehlivost a motivuje nás k neustálým inovacím pro chytřejší a silnější řešení motorů.​
Důvěřujte značce známé po celém světě jako Hengtai Motor a HENTACH Motor – kde se patentovaná inovace ocelových převodů snoubí s osvědčenou odolností.

Certifikováno Certifikace