E-FAT / E-CARGO

Motor předního náboje S-Type Pro F1500

Motor předního náboje S-Type Pro F1500, určený pro kola E-Carao a E-Fat, nabízí jmenovitý výkon od 750W do 1500W a špičkový točivý moment 145Nm. Zlepšuje trakci při nízkých rychlostech a schopnost stoupání v náročném terénu a řeší energetické nedostatky v aplikacích s vysokým zatížením. Vybavený HENTACH patentovanými ozubenými koly z plastové oceli – pětkrát pevnějšími než nylonové převody – podporuje motory s výkonem nad 1000 W, kde by se tradiční nylonová ozubená kola rychle opotřebovala při trvalém točivém momentu nad 100 Nm.

Klíčový parametr
Konstrukce motoru: Jmenovité napětí (V): Jmenovitý výkon (W):
Převodový motor náboje Outrunner 48-60 750-1500
Špičkový točivý moment (N.m.): Hmotnost (KG): STARÝ (mm):
145 5.5 190
podrobné informace
  • Motor předního náboje S-Type Pro F1500
  • Motor předního náboje S-Type Pro F1500
Ningbo Yinzhou HENTACH Electromechanical Co., Ltd. Product Parameters Ningbo Yinzhou HENTACH Electromechanical Co., Ltd. Drawing Ningbo Yinzhou HENTACH Electromechanical Co., Ltd. Contact Us

Základní údaje

Jmenovitý výkon 750-1500
Jmenovité napětí 48-72
Průměr kola 20-26
Rozsah rychlosti 25-65
Maximální točivý moment 145
Převodový poměr 5
Hmotnost (KG) 5.5

Parametry instalace

Brzda Kotoučová brzda
Kazeta snímače točivého momentu Ne
Trasa kabeláže Pravá strana nápravy
Otvor pro paprsky 2-18-Ф3.5
Hodnocení voděodolnosti IP54 (až IP65)
Setrvačník/řetězové kolo /
Certifikáty TUV/EN15194/RoHS

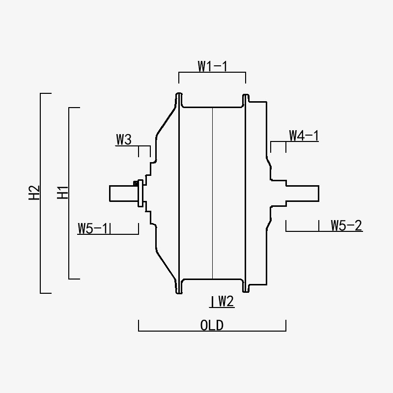
H1/ OD: 157
H2/Vnější průměr motoru: 183
W1(-1/-2): 60.9
W2: 0
W3: 11
W4(-1/-2): 14.1
W5(-1/-2): 26/30
STARÝ: 135
Délka nápravy: 191
Ningbo Yinzhou HENTACH Electromechanical Co., Ltd.
kontaktujte nás
  • Odeslat a odeslat
Ningbo Yinzhou HENTACH Electromechanical Co., Ltd.
CO NÁS ODLIŠUJE
  • Výkonný motor předního pohonu, 135mm otevření převodu, jmenovitý výkon až 1500W.

  • Patentovaný převod z plastové oceli: 5krát větší točivý moment než nylonový převod; životnost větší než 40 000 kilometrů; nižší poprodejní služby

  • Stall točivý moment až 145NM, speciálně navržený pro efat/Cargo.

KDO JSME Více než 20 let výrobních zkušeností.

Ningbo Yinzhou HENTACH Electromechanical Co., Ltd. (dříve Hengtai Motor) Společnost byla založena v roce 1995 a dříve známá jako „Hengtai Motor“ (čínský název naší společnosti), v roce 2020 jsme oficiálně přijali anglický název „HENTACH Motor“. Obě jména představují stejného důvěryhodného výrobce, který se již více než 30 let věnuje elektromechanickým inovacím. Specializujeme se na odlévání a přesné zpracování miniaturních stejnosměrných motorů, elektrických/motocyklových nábojových motorů a slitin hliníku a hořčíku pro elektrická vozidla, kombinujeme přísný systém kontroly kvality ISO 9001, vyspělé postupy řízení a špičková výrobní/testovací zařízení, abychom dodávali spolehlivá řešení.

Díky komplexním možnostem od odlévání surovin až po dodávky finálních produktů sloužíme různorodým trhům, včetně elektrokol, nákladních vozidel, AGV, golfových vozů, zemědělských strojů a elektromotokár. Náš kampus o rozloze přes 9 000 m² (5 000 m² zastavěné plochy) obsahuje více než 60 jednotek moderního výrobního zařízení, včetně 500tunových tlakových licích strojů, přesných CNC obráběcích strojů, laserových značkovacích systémů, mikroobloukových oxidačních linek a dvou specializovaných zkušebních stolic pro elektromobily. Tato infrastruktura zajišťuje efektivní výrobu a přísné dodržování mezinárodních standardů kvality.

Ve společnosti HENTACH (Hengtai) upřednostňujeme vysoce kvalitní materiály a patentovanou technologii – naše patentovaná převodovka z nylonové oceli je důkazem naší technické dokonalosti. Abychom ověřili životnost, jednou jsme spustili program záruky najetých kilometrů pro motory přesahující 30 000 mil. Výsledek? Více než 50 motorů nejen splnilo toto měřítko, ale dokonce je překonalo, přičemž některé dosáhly působivých 50 000 mil. Tento skutečný výkon odráží naše neochvějné zaměření na spolehlivost a motivuje nás k neustálým inovacím pro chytřejší a silnější řešení motorů.​
Důvěřujte značce známé po celém světě jako Hengtai Motor a HENTACH Motor – kde se patentovaná inovace ocelových převodů snoubí s osvědčenou odolností.

Certifikováno Certifikace