E-město

Motor zadního náboje C-Type R350

Motor zadního náboje C-Type R350, určený pro městská elektrokola, nabízí jmenovitý výkon 250-400W a podporuje jedno nebo 7rychlostní závit na volnoběžce. Je kompatibilní s 36V nebo 48V systémy a poskytuje stabilní výkon s vodotěsností až IP65. Motor se vyznačuje točivým momentem 45 Nm a je vybaven odolnými převody z plastu a oceli patentovanými HT, které jsou ideální pro časté zastavování a rozjíždění v městském prostředí a při aplikacích s elektronickými brzdami.

Klíčový parametr
Konstrukce motoru: Jmenovité napětí (V): Jmenovitý výkon (W):
Motor náboje zadního pohonu 36-48 250-400
Špičkový točivý moment (N.m.): Hmotnost (KG): STARÝ (mm):
45 3 137
podrobné informace
  • Motor zadního náboje C-Type R350
  • Motor zadního náboje C-Type R350
Ningbo Yinzhou HENTACH Electromechanical Co., Ltd. Product Parameters Ningbo Yinzhou HENTACH Electromechanical Co., Ltd. Drawing Ningbo Yinzhou HENTACH Electromechanical Co., Ltd. Contact Us

Základní údaje

Jmenovitý výkon 250-400
Jmenovité napětí 36-48
Průměr kola 20-28
Rozsah rychlosti 25-38
Maximální točivý moment 45
Převodový poměr 4.43
Hmotnost (KG) 3

Parametry instalace

Brzda Kotoučová brzda
Kazeta snímače točivého momentu Ne
Trasa kabeláže Náprava střední pravá
Otvor pro paprsky 2-18-Ф3.2
Hodnocení voděodolnosti IP54 (až IP65)
Setrvačník/řetězové kolo Rotační 7-rychlostní
Certifikáty TUV/EN15194/RoHS/UL1004-1

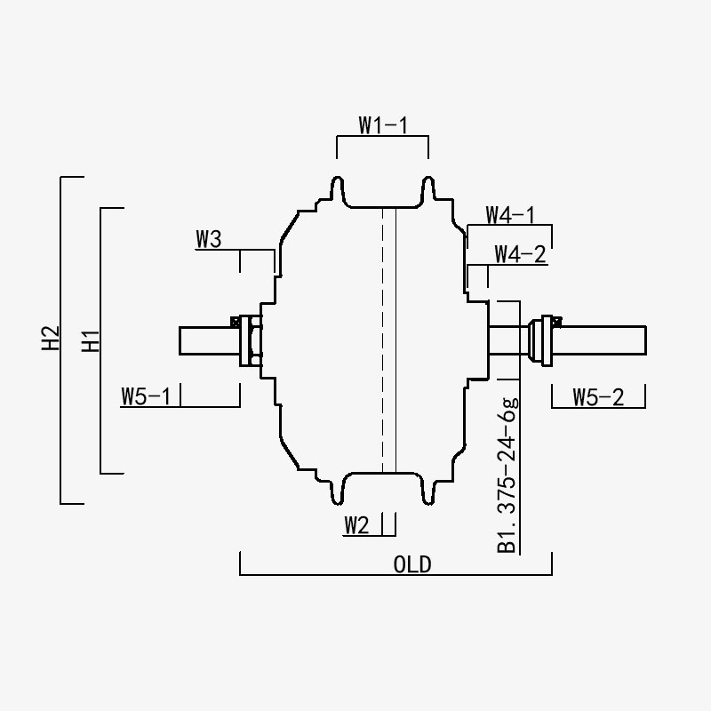
H1/ OD: 117
H2/Vnější průměr motoru: 144
W1(-1/-2): 40
W2: 5.9
W3: 15.2
W4(-1/-2): 37/9
W5(-1/-2): 26,5/41,5
STARÝ: 137
Délka nápravy: 205
Ningbo Yinzhou HENTACH Electromechanical Co., Ltd.
kontaktujte nás
  • Odeslat a odeslat
Ningbo Yinzhou HENTACH Electromechanical Co., Ltd.
CO NÁS ODLIŠUJE
  • Hmotnost je pouze 3 kg a točivý moment může dosáhnout 45 NM.

  • Patentovaný převod z plastové oceli: 5krát větší točivý moment než nylonový převod; životnost je větší než 40 000 kilometrů; nižší poprodejní prodej

  • Vybaveno otočným 7-rychlostním setrvačníkem, s otvorem převodu 137 mm, určeno pro c-city

KDO JSME Více než 20 let výrobních zkušeností.

Ningbo Yinzhou HENTACH Electromechanical Co., Ltd. (dříve Hengtai Motor) Společnost byla založena v roce 1995 a dříve známá jako „Hengtai Motor“ (čínský název naší společnosti), v roce 2020 jsme oficiálně přijali anglický název „HENTACH Motor“. Obě jména představují stejného důvěryhodného výrobce, který se již více než 30 let věnuje elektromechanickým inovacím. Specializujeme se na odlévání a přesné zpracování miniaturních stejnosměrných motorů, elektrických/motocyklových nábojových motorů a slitin hliníku a hořčíku pro elektrická vozidla, kombinujeme přísný systém kontroly kvality ISO 9001, vyspělé postupy řízení a špičková výrobní/testovací zařízení, abychom dodávali spolehlivá řešení.

Díky komplexním možnostem od odlévání surovin až po dodávky finálních produktů sloužíme různorodým trhům, včetně elektrokol, nákladních vozidel, AGV, golfových vozů, zemědělských strojů a elektromotokár. Náš kampus o rozloze přes 9 000 m² (5 000 m² zastavěné plochy) obsahuje více než 60 jednotek moderního výrobního zařízení, včetně 500tunových tlakových licích strojů, přesných CNC obráběcích strojů, laserových značkovacích systémů, mikroobloukových oxidačních linek a dvou specializovaných zkušebních stolic pro elektromobily. Tato infrastruktura zajišťuje efektivní výrobu a přísné dodržování mezinárodních standardů kvality.

Ve společnosti HENTACH (Hengtai) upřednostňujeme vysoce kvalitní materiály a patentovanou technologii – naše patentovaná převodovka z nylonové oceli je důkazem naší technické dokonalosti. Abychom ověřili životnost, jednou jsme spustili program záruky najetých kilometrů pro motory přesahující 30 000 mil. Výsledek? Více než 50 motorů nejen splnilo toto měřítko, ale dokonce je překonalo, přičemž některé dosáhly působivých 50 000 mil. Tento skutečný výkon odráží naše neochvějné zaměření na spolehlivost a motivuje nás k neustálým inovacím pro chytřejší a silnější řešení motorů.​
Důvěřujte značce známé po celém světě jako Hengtai Motor a HENTACH Motor – kde se patentovaná inovace ocelových převodů snoubí s osvědčenou odolností.

Certifikováno Certifikace