Silnice / E-silnice

HT MINI2 THRU AXLE Motor zadního náboje

Nábojový motor HT MINI2 7mm s pevnou osou je určen pro špičková silniční kola a městská elektrokola s pevnou osou. Vyznačuje se 7mm konstrukcí pevné osy, kompatibilní s 10mm a 12mm osou, váží pouze 1,75 kg (bez kazety). Konstrukce 135 mm patky a točivý moment 35 Nm zajišťují vysoký výkon. Jeho levý kabelový výstup optimalizuje vedení kabelů a zvyšuje stabilitu a bezpečnost. Motor je vybaven patentovanými převody z plastu a oceli a nabízí pětkrát větší pevnost než nylonová převody, vydrží více než 40 000 km a snižuje náklady na údržbu. Konstrukce externího rotoru minimalizuje kumulativní chyby a zajišťuje vyšší pevnost a odolnost.

Klíčový parametr
Konstrukce motoru: Jmenovité napětí (V): Jmenovitý výkon (W):
Motor náboje Outrunner 36-48 180-220
Špičkový točivý moment (N.m.): Hmotnost (KG): STARÝ (mm):
35 1,95 (s kazetou) $ $ 135
podrobné informace
  • HT MINI2 THRU AXLE Motor zadního náboje
  • HT MINI2 THRU AXLE Motor zadního náboje
Ningbo Yinzhou HENTACH Electromechanical Co., Ltd. Product Parameters Ningbo Yinzhou HENTACH Electromechanical Co., Ltd. Drawing Ningbo Yinzhou HENTACH Electromechanical Co., Ltd. Contact Us

Základní údaje

Jmenovitý výkon 180-220
Jmenovité napětí 36-48
Průměr kola 20-28
Rozsah rychlosti 25-32
Maximální točivý moment 35
Převodový poměr 5
Hmotnost (KG) 1,95 (s kazetou)

Parametry instalace

Brzda kotoučová brzda
Kazeta snímače točivého momentu K dispozici
Trasa kabeláže Levá strana nápravy
Otvor pro paprsky 2-18-Ф3.2
Hodnocení voděodolnosti IP54 (až IP65)
Setrvačník/řetězové kolo Kazeta 7-12 rychlostí
Certifikáty TUV/EN15194/RoHS

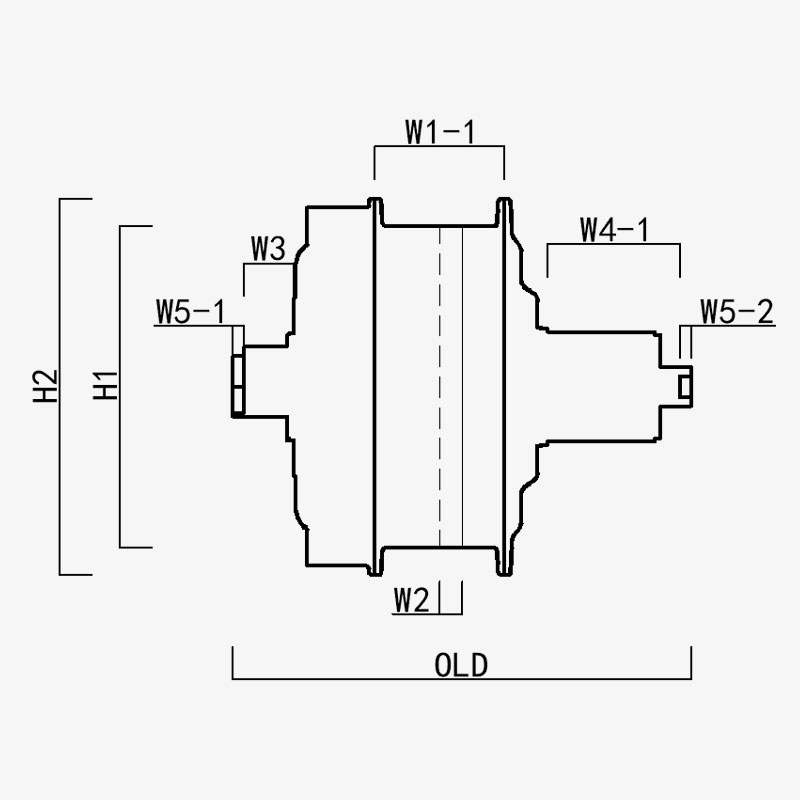
H1/ OD: 99.7
H2/Vnější průměr motoru: 116.7
W1(-1/-2): 40
W2: 7
W3: 15.25
W4(-1/-2): 42.5
W5(-1/-2): 3.5
STARÝ: 135
Délka nápravy: 142
Ningbo Yinzhou HENTACH Electromechanical Co., Ltd.
kontaktujte nás
  • Odeslat a odeslat
Ningbo Yinzhou HENTACH Electromechanical Co., Ltd.
CO NÁS ODLIŠUJE
  • Patentovaný převod z plastové oceli: 5krát větší točivý moment než nylonový převod; životnost větší než 40 000 km; nižší poprodejní servis

  • Externí motor: stabilnější struktura a nižší poruchovost ve srovnání s vnitřním rotorem

  • 7mm osu hlavně lze přizpůsobit konstrukci 10mm hlavně, lehčí a menší, s otvorem převodu 135mm a může dosáhnout točivého momentu 35NM

KDO JSME Více než 20 let výrobních zkušeností.

Ningbo Yinzhou HENTACH Electromechanical Co., Ltd. (dříve Hengtai Motor) Společnost byla založena v roce 1995 a dříve známá jako „Hengtai Motor“ (čínský název naší společnosti), v roce 2020 jsme oficiálně přijali anglický název „HENTACH Motor“. Obě jména představují stejného důvěryhodného výrobce, který se již více než 30 let věnuje elektromechanickým inovacím. Specializujeme se na odlévání a přesné zpracování miniaturních stejnosměrných motorů, elektrických/motocyklových nábojových motorů a slitin hliníku a hořčíku pro elektrická vozidla, kombinujeme přísný systém kontroly kvality ISO 9001, vyspělé postupy řízení a špičková výrobní/testovací zařízení, abychom dodávali spolehlivá řešení.

Díky komplexním možnostem od odlévání surovin až po dodávky finálních produktů sloužíme různorodým trhům, včetně elektrokol, nákladních vozidel, AGV, golfových vozů, zemědělských strojů a elektromotokár. Náš kampus o rozloze přes 9 000 m² (5 000 m² zastavěné plochy) obsahuje více než 60 jednotek moderního výrobního zařízení, včetně 500tunových tlakových licích strojů, přesných CNC obráběcích strojů, laserových značkovacích systémů, mikroobloukových oxidačních linek a dvou specializovaných zkušebních stolic pro elektromobily. Tato infrastruktura zajišťuje efektivní výrobu a přísné dodržování mezinárodních standardů kvality.

Ve společnosti HENTACH (Hengtai) upřednostňujeme vysoce kvalitní materiály a patentovanou technologii – naše patentovaná převodovka z nylonové oceli je důkazem naší technické dokonalosti. Abychom ověřili životnost, jednou jsme spustili program záruky najetých kilometrů pro motory přesahující 30 000 mil. Výsledek? Více než 50 motorů nejen splnilo toto měřítko, ale dokonce je překonalo, přičemž některé dosáhly působivých 50 000 mil. Tento skutečný výkon odráží naše neochvějné zaměření na spolehlivost a motivuje nás k neustálým inovacím pro chytřejší a silnější řešení motorů.​
Důvěřujte značce známé po celém světě jako Hengtai Motor a HENTACH Motor – kde se patentovaná inovace ocelových převodů snoubí s osvědčenou odolností.

Certifikováno Certifikace